كيف تعمل معدات السيانيد على تحسين عملية استخراج الذهب وسلامة الموقع؟

2026-01-08 - اترك لي رسالة

إذا شعرت يومًا أن استخدام السيانيد "فعال ولكنه مرهق"، فأنت لا تتخيل ذلك. تنجح الكيمياء، لكن الواقع اليومي يمكن أن يكون فوضويًا: خام متغير، وإفراط في إنفاق الكاشف، وفقدان الكربون، ووقت توقف غير متوقع، والضغط المستمر للعمل بأمان وثبات. هذه المقالة تكسر مامعدات السيانيديجب أن تفعله لك بالفعل، ما الذي يجب أن تسأله قبل الشراء، وكيفية تجنب الأخطاء الأكثر تكلفة.


خلاصة

حديثمعدات السيانيدليس مجرد مجموعة من الخزانات - إنه نظام متصل مصمم للتحكم في ظروف الترشيح، وتحقيق الاستقرار في الاسترداد، وتقليل نفايات الكواشف، والحفاظ على إمكانية التنبؤ بالتعامل مع السيانيد. يعاني المشترون عادةً من أربع نقاط ألم: التعافي غير المتسق، وارتفاع تكلفة التشغيل، وضعف ضوابط السلامة، ومتاعب الصيانة. أدناه، ستحصل على عرض عملي لأرضية المصنع لوحدات السيانيد (الترشيح، والامتزاز، والامتزاز/الاستخلاص الكهربي، والتخلص من السموم، والأجهزة)، ومصفوفة اختيار، ونصائح للتشغيل، وقسم الأسئلة الشائعة التي يمكنك استخدامها أثناء محادثات الموردين.


جدول المحتويات


الخطوط العريضة في لمحة

  • ترجمة "أحتاج إلى السيانيد" إلى نطاق معدات كامل يمكن التحكم فيه.
  • حدد الوحدة التي تتسبب في خسائرك (الاسترداد أو الكاشف أو الكربون أو وقت التوقف عن العمل).
  • استخدم مصفوفة بسيطة لمقارنة الحلول الخاصة بنوع خامك والقيود.
  • قم بالدخول إلى اجتماعات الموردين باستخدام قائمة مرجعية تكشف عن التصميمات الضعيفة بسرعة.

نقاط الألم الحقيقية للمشتري

عندما يتسوق الناس لمعدات السيانيدغالبًا ما يقولون "أحتاج إلى تعافي أعلى". ما يقصدونه عادةً هو: "أحتاج إلى أن يظل التعافي مرتفعًا حتى عندما يتغير الخام، ويتناوب المشغلون، ويكون الموقع بعيدًا". فيما يلي نقاط الألم التي تظهر مرارًا وتكرارًا:

  • تقلبات الانتعاشبسبب تقلبات الخام، أو مشكلات الطحن، أو قيود الأكسجين، أو ضعف التحكم في درجة الحموضة.
  • زحف تكلفة الكاشفمن جرعة زائدة من السيانيد أو الجير "فقط لتكون آمنًا".
  • مشاكل الكربونمثل التلوث أو فقدان الاستنزاف أو ضعف حركية الامتزاز.
  • التوقفمن فشل المضخة/الصمام، أو تآكل الملاط الكاشطة، أو التخطيطات التي يصعب الوصول إليها.
  • ضغوط السلامةحول تخزين السيانيد، والجرعات، والاستعداد للاستجابة لحالات الطوارئ.

التصميم الجيد للمعدات لا يزيل كل التعقيدات، لكنه يجب أن يزيل التخمين.


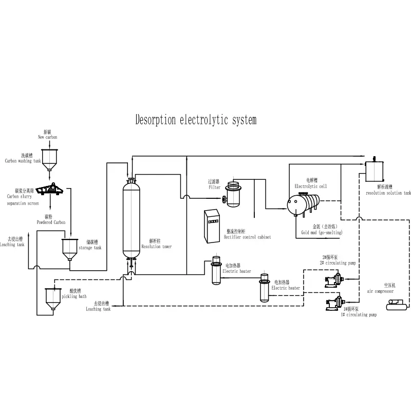
ما الذي تتضمنه "معدات السيانيد"؟

Cyaniding Equipment

كحد أدنى،معدات السيانيديجب أن يُفهم على أنه نظام يدعم هذه الوظائف:

  • الترشيح: توفير الوقت والخلط والتحكم الكيميائي في الذوبان.
  • القبض على الذهب: الامتزاز على الكربون المنشط (CIP/CIL) أو طرق هطول الأمطار.
  • انتعاش الذهب: الامتزاز والاستخلاص الكهربائي (أو دوائر الاسترداد البديلة).
  • التخلص من السموم والتعامل مع المخلفات: تقليل السيانيد المتبقي إلى مستويات مقبولة.
  • الأجهزة والتحكم: قياس واستقرار الرقم الهيدروجيني والأكسجين المذاب والتدفق والجرعات.

إذا كان المورد يتحدث فقط عن "الخزانات"، فادفعه إلى تحديد التدفق بأكمله ونقاط التحكم. السيانيد متسامح في ظروف المختبر. فهو لا يتسامح في الظروف الميدانية الفوضوية.


خريطة عملية واضحة من خام إلى دوريه

في حين أن كل مصنع يختلف عن الآخر، فإن معظم طرق المعالجة بالسياندة تتبع عمودًا فقريًا يمكن التعرف عليه. استخدم هذه الخريطة للتحقق من سلامة الحزمة المقترحة:

منصة ما يجب أن يحققه المخاطر "المخفية" النموذجية
المعالجة المسبقة (حسب الحاجة) جعل الذهب في متناول الجميع ومنع ارتفاع استهلاك السيانيد تجاهل سرقة ما قبل الولادة أو النحاس العالي أو الكبريتيدات التفاعلية
الترشيح خلط مستقر، ودرجة الحموضة التي تسيطر عليها، والأكسجين الكافي المناطق الميتة، نقل الأكسجين السيئ، درجة الحموضة غير المنتظمة من نظام الجير الضعيف
الامتزاز (CIL/CIP) التقاط الذهب المذاب بكفاءة حجم الكربون/طريقة النقل خاطئة؛ خسائر الكربون
الشطف / الامتزاز تجريد الذهب من الكربون بشكل موثوق يؤدي التسخين/التدفق غير المتناسق إلى انخفاض كفاءة التجريد
الصهر الكهربائي / الصهر استرداد وإنتاج دوريه خلايا صغيرة الحجم، وسوء إدارة الكهارل، ومشاكل في التعامل مع الحمأة
التخلص من السموم تقليل السيانيد المتبقي قبل التفريغ/المخلفات لا يتطابق التصميم مع تقلب الإنتاجية أو كيمياء المخلفات

الوحدات الرئيسية وما يجب التحقق منه

1) خزانات الترشيح والتحريض

  • هل تصميم الخلط مناسب لكثافة الملاط ودرجة كشطه؟
  • هل يستطيع النظام الحفاظ على درجة حموضة ثابتة في ظل تقلب الخام؟
  • هل إضافة الأكسجين عملية في موقعك (وهل يتم أخذ نقل الأكسجين في الاعتبار في التصميم)؟
  • هل يسمح التصميم بفحص الدوافع والبطانات والمحامل بسهولة؟

2) امتصاص الكربون ونقله

  • هل الشاشات بين المراحل قوية بما يكفي لمنع ترحيل الكربون؟
  • هل تم تصميم نقل الكربون لتقليل الكسر والخسارة؟
  • هل التصميم صديق للتنظيف ومراقبة مخزون الكربون؟

3) الامتزاز والاستخلاص الكهربائي

  • هل تتوافق دائرة الشطف مع توقعات تحميل الكربون لديك؟
  • هل أدوات التحكم في التدفئة والتدفق مستقرة (وليست "تعتمد على المشغل")؟
  • هل معالجة الحمأة مخططة وليست مرتجلة؟

4) جرعات السيانيد وقياسها

  • هل الجرعات آلية مع التعشيق أم يدوية بحتة؟
  • ما هي خطة المعايرة وصيانة أجهزة الاستشعار في بيئة التعدين الحقيقية؟
  • هل نقاط أخذ العينات آمنة وفي موقع جيد أم أنها فكرة لاحقة؟

5) التخلص من السموم

  • هل يعتمد تصميم التخلص من السموم على أهداف التفريغ وكيمياء المخلفات؟
  • هل يمكنها التعامل مع الارتفاعات قصيرة المدى دون فرض الإغلاق؟

تلميح عملي:غالبًا ما يؤدي الاقتراح الذي يبدو أرخص على الورق إلى دفع التكلفة إلى العمليات - المزيد من السيانيد، والجير الإضافي، وعمالة الصيانة الإضافية، وسلوك المشغل "البطولي". الفاتورة تصل في وقت لاحق.


أساسيات الحجم والمواصفات

لا تحتاج إلى أن تكون متخصصًا في المعادن لتطرح أسئلة تتعلق بالحجم والتي تحمي ميزانيتك. لمعدات السيانيد، يدور منطق التحجيم الأساسي حول الإنتاجية ووقت الإقامة والنقل الجماعي. قبل قبول أي تصميم نهائي، تأكد من ذكر هذه المدخلات بوضوح:

  • تصميم الإنتاجية(المتوسط ​​والذروة، بالإضافة إلى التقلبات الموسمية المتوقعة).
  • حجم الطحن المستهدفوماذا يحدث إذا انجرفت الطاحونة بشكل أكثر خشونة.
  • وقت إقامة ليتشوهل يعتمد على اختبارات أو افتراضات.
  • خطة الرقم الهيدروجيني والقلوية(بما في ذلك تحضير الجير واستقرار الجرعات).
  • استراتيجية الأكسجين(الهواء، الأكسجين، أو لا شيء) والتأثير المتوقع على الحركية.
  • مخزون الكربون(كمية الكربون، ومكان وجوده، وكيف يتم مراقبته).

إذا لم يتمكن المورد من شرح ذلك بلغة واضحة، تعامل مع ذلك كإشارة خطر - وليس كمسألة فنية.


السلامة والتحكم في السيانيد الذي يصمد بالفعل

السلامة ليست ملصقًا على الحائط. باستخدام السيانيد، تم دمجها في التصميم المادي والتحكم الروتيني. قويمعدات السيانيدتتضمن الحزم عادة ما يلي:

  • يحتوي على تخزين ونقلمع مسارات انسكاب واضحة ومنطق التجميع.
  • الجرعات المتشابكةلذلك لا يمكن إضافة السيانيد عندما لا يتم استيفاء الشروط الأساسية.
  • تصميم واضح لأخذ العيناتمما يقلل من مخاطر التعرض أثناء الفحوصات الروتينية.
  • الاستعداد للطوارئكجزء من مجموعة إجراءات التشغيل، وليس مستندًا إضافيًا.

من وجهة نظر المشتري، مهمتك بسيطة: فرض الاقتراح لإظهار كيفية تفاعل الأشخاص مع النظام بالضبط. أين يقفون؟ ماذا يلمسون؟ كيف يعزلون المعدات؟ كيف يستجيبون لفشل ختم المضخة في الساعة 2 صباحًا؟


من أين تأتي تكاليف التشغيل حقًا؟

إذا كانت تكلفة الأوقية الخاصة بك تتجه نحو الأعلى، فعادةً لا يكون ذلك فشلًا دراماتيكيًا واحدًا، بل تسربات صغيرة في النظام هي التي تتفاقم. في السيانيد، محركات التكلفة الأكثر شيوعا هي:

  • استهلاك السيانيدمدفوعة بالمعادن التفاعلية، أو عادات الجرعات الزائدة، أو حلقات التحكم الضعيفة.
  • استهلاك الجيرعندما يكون التحكم في الأس الهيدروجيني غير مستقر أو عندما لا تكون كيمياء الملاط مفهومة جيدًا.
  • فقدان الكربونعبر الاستنزاف أو مشكلات الشاشة أو سوء تصميم النقل.
  • الطاقة والصيانةمن الإفراط في التحريض، وأجزاء التآكل سيئة التصميم، والتخطيطات التي يصعب صيانتها.
أعراض السبب الجذري المحتمل ميزة المعدات التي تساعد
ينخفض ​​​​الانتعاش عندما يتغير الخام عدم استقرار الرقم الهيدروجيني/DO؛ خلط ضعيف عدم كفاية وقت الإقامة تحريض قوي، وأدوات تحكم أفضل، وسعة خزان مرنة
يستمر إنفاق السيانيد في الارتفاع جرعة زائدة. معادن تستهلك نسبة عالية من السيانيد؛ قياس ضعيف جرعات يمكن التحكم فيها، ونقاط أخذ عينات موثوقة، وتشابكات أكثر ذكاءً
مخزون الكربون يتقلص "بشكل غامض" فشل الشاشة. خسائر النقل؛ الاستنزاف شاشات متينة بين المراحل، تصميم نقل لطيف، حساب واضح للكربون
الاغلاقات المتكررة تآكل الأجزاء، وختم المضخة، ومشاكل الوصول مواد مقاومة للاهتراء، إمكانية الوصول إلى الصيانة، قطع غيار موحدة

تصميم الموثوقية والصيانة

Cyaniding Equipment

يمكن أن تبدو دائرة المعالجة بمحلول السيانيد "كاملة" ولا تزال غير موثوقة إذا لم يتم تصميم الصيانة فيها. اسأل عن كيفية تعامل المورد:

  • اختيار الموادلمناطق الملاط الكاشطة ومناطق ملامسة السيانيد.
  • وصولإلى الشاشات والدفاعات والبطانات والمضخات والأجهزة.
  • استراتيجية قطع الغيارالتي تتوافق مع واقع موقعك (المهل الزمنية، والخدمات اللوجستية، والتخزين).
  • التوحيد القياسيلتقليل عدد عناصر التآكل الفريدة.

في العمليات عن بعد، يمكن أن تكون "سهولة الصيانة" أكثر قيمة من "أكثر كفاءة قليلاً على الورق".


أسئلة يجب أن تطرحها على الموردين

استخدم قائمة التحقق هذه في الاجتماعات. لقد تم تصميمه لعرض المقترحات الضعيفة بسرعة، دون تحويل المحادثة إلى نقاش.

  • ما هي مخاطر الخام التي يتم افتراضها بعيدًا، وما هي المخاطر التي تم تصميمها بشكل فعال؟
  • ما هي مدخلات التصميم لوقت الإقامة، ونطاق الرقم الهيدروجيني، واستراتيجية الأكسجين؟
  • كيف يتم التحكم في جرعات السيانيد، وماذا يحدث أثناء فشل المستشعر؟
  • كيف يتم منع فقدان الكربون وقياسه في العمليات الروتينية؟
  • ما هي خطة الوصول إلى الصيانة للشاشات والمحرضات والمضخات؟
  • ما هي فحوصات المشغل الموصى بها لكل نوبة عمل، وكيف يتم جعلها آمنة؟
  • ما هو دعم التشغيل المتضمن، وما هو تدريب المشغلين المقدم؟

إذا كنت تقوم بتقييم الموردين، فقد يكون من المفيد التحدث مع الشركة المصنعة التي يمكنها توفير حزمة السيانيد الكاملة ودعم تفاصيل التكامل. على سبيل المثال، تشينغداو EPIC ماكينات التعدين المحدودة.توفر حلول معدات معالجة التعدين حيث تعتبر حزم السيانيد بمثابة أنظمة - ترشيح، وامتزاز، واسترداد، وتحكم - بدلاً من مجموعة منفصلة من الخزانات.


التعليمات

ما الذي يجعل معدات السيانيد "حديثة" وليست أساسية؟

تركز التصميمات الحديثة على إمكانية التحكم والتكرار: الجرعات المستقرة، والقياس الموثوق، وأخذ العينات الأكثر أمانًا، والحماية القوية من التآكل، والتخطيطات التي تقلل من ارتجال المشغل. الهدف هو الاسترداد المستمر مع نفايات كاشفة أقل وعمليات إيقاف تشغيل أقل.

هل يمكن لمعدات السيانيد التعامل مع الخام منخفض الجودة بشكل اقتصادي؟

يمكن ذلك، ولكن فقط عندما يتم تصميم الدائرة حول حركتك وملف استهلاكك. تميل العمليات منخفضة الجودة إلى أن تكون حساسة للإفراط في إنفاق الكاشف ووقت التوقف عن العمل، لذلك تصبح أنظمة التحكم وتصميم التآكل وإدارة الكربون ذات أهمية خاصة.

كيف أعرف إذا كنت بحاجة إلى CIP أو CIL؟

ويعتمد الاختيار عادةً على حركية الترشيح ومدى سرعة احتجاز الذهب المذاب. إذا كان الذهب يذوب بسرعة وتريد الحصول عليه فورًا، فقد يكون CIL جذابًا. إذا كان الترشيح يستفيد من الفصل قبل الامتزاز، فقد يكون التنظيف المكاني (CIP) مناسبًا بشكل أفضل. يجب أن تكون الاختبارات المعدنية وقيود الموقع العملية هي الدافع وراء القرار.

لماذا يرتفع استهلاك السيانيد فجأة في بعض الأحيان؟

تشمل الأسباب الشائعة تغيرات المعادن الخام، أو ضعف التحكم في درجة الحموضة، أو نقص الأكسجين غير المتوقع، أو التلوث في مياه المعالجة. إن خطة التحكم الجيدة بالإضافة إلى نقاط أخذ العينات الموثوقة تجعل من السهل تشخيص هذه الارتفاعات وتصحيحها بسرعة.

ما الذي يجب أن أعطيه الأولوية إذا كان موقعي بعيدًا ويعاني من نقص الموظفين؟

إعطاء الأولوية لقابلية الصيانة والأتمتة التي تقلل من التعامل اليدوي: الشاشات المتينة، وتصميم المعدات الذي يمكن الوصول إليه، وقطع الغيار الموحدة، والجرعات المتشابكة، وإجراءات التشغيل الواضحة التي لا تعتمد على "مشغل خبير واحد".


الختام

شراءمعدات السيانيديتعلق الأمر في النهاية بالحد من عدم اليقين. قد يتم إثبات التناغم، لكن ربحيتك تعتمد على التحكم المتسق والصيانة العملية والسلامة التي تعمل في نوبات حقيقية مع أشخاص حقيقيين. إذا كنت تخطط لإنشاء مصنع جديد أو ترقية دائرة موجودة، فضع حقائق خامك وأهداف الإنتاجية وقيود الموقع على الطاولة - وأصر على اقتراح يتعامل مع المعالجة بمحلول السيانيد كنظام كامل يمكن التحكم فيه.

هل أنت على استعداد لتحويل خطة السيانيد الخاصة بك إلى عملية موثوقة ومستقرة التكلفة؟شارك نوع الخام الخاص بك، والقدرة المستهدفة، وظروف الموقع، واتصل بنالمناقشة التكوين العملي للمعدات التي تناسب مصنعك والمشغلين لديك.

إرسال استفسار

X
نحن نستخدم ملفات تعريف الارتباط لنقدم لك تجربة تصفح أفضل، وتحليل حركة مرور الموقع، وتخصيص المحتوى. باستخدام هذا الموقع، فإنك توافق على استخدامنا لملفات تعريف الارتباط. سياسة الخصوصية